|
轮径 |
轮宽 |
承载 |
轮子材料 |
轴承 |
型号 |
安装高度 |
转动半径 |
|
|
(mm) |
(mm) |
(kg) |
活动 |
固定 |
(mm) |
(mm) |
||
|
75 |
32 |
90 |
聚烯烃 |
特尔灵不锈钢轴管 |
2-3U01S-101V |
2-3U01R-101V |
108 |
75 |
|
单轴承 |
2-3U01S-101Y-1 |
2-3U01R-101Y-1 |
||||||
|
90 |
32 |
91 |
聚烯烃 |
特尔灵不锈钢轴管 |
2-35U01S-101V |
2-35U01R-101V |
119 |
78 |
|
单轴承 |
2-35U01S-101Y-1 |
2-35U01R-101Y-1 |
||||||
|
100 |
32 |
114 |
聚烯烃 |
特尔灵不锈钢轴管 |
2-4U01S-101V |
2-4U01R-101V |
130 |
84 |
|
单轴承 |
2-4U01S-101Y-1 |
2-4U01R-101Y-1 |
||||||
|
125 |
32 |
136 |
聚烯烃 |
特尔灵不锈钢轴管 |
2-5U01S-101V |
2-5U01R-101V |
157 |
103 |
|
单轴承 |
2-5U01S-101Y-1 |
2-5U01R-101Y-1 |
||||||
|
150 |
32 |
146 |
聚烯烃 |
特尔灵不锈钢轴管 |
2-6U01S-101V |
2-6U01R-101V |
185 |
118 |
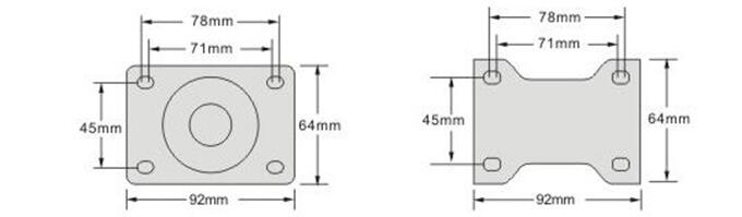
安装尺寸:
| 底板厚 | 4mm | 安装孔径 | 8.5mm | 可配刹车 | 金属边刹、金属双刹 |
不锈钢PP轮优点:
1、无毒无味、属于环保材料、可回收;
2、具有耐油、耐酸、耐碱等特性,常见的酸、碱等有机溶剂对它几乎不起作用;
3、具有刚硬和韧性,抗疲劳,抗应力开裂等特性,其性能不受湿度环境影响;
4、具有价格便宜的优势;
不锈钢PP轮应用环境:
1、适合多种地面使用;
2、工厂搬运;
3、仓储物流;
4、机械制造等行业;
5、使用温度范围在-15至80℃之间;
脚轮安全承载注意事项:
1、不锈钢PP轮在作业环境比较特殊的情况下,不仅要选择相应的脚轮,还应该配备合理的设计结构增加抗冲击能力。
2、不锈钢PP轮最常见的安装模式为四轮式,在不锈钢PP轮承受的冲击较小的场合,也就是地面状况良好的场合,可以在货物装运或设备移动中,按四只脚轮承受总重量的百分之一百三十选择。
3、在地面环境较差的地方,则多是要求三只不锈钢PP轮承受全部重量,一只脚轮悬空的使用方式,这种场合下按三个轮子承载量计算,且不的超过三个轮子最大极限,不然会对脚轮的正常作业造成影响。
不锈钢PP轮应用:
1、商业、超市、工厂行业应用;
2、医药器械及机械设备行业应用;
3、仓储、物流运输行动应用;
4、家具行业应用;