不锈钢双刹4寸导电轮
上一个:中型4寸不锈钢pp万向轮 下一个:轻型活动聚氨酯脚轮带双刹
详情介绍


轮径

轮宽

承载

轮子材料

轴承

型号

安装高度

转动半径

(mm)

(mm)

(kg)

活动

(mm)

(mm)

75

32

90

导电轮

双轴承

2-3U01SB4-501G

108

75

90

32

114

导电轮

双轴承

2-35U01SB4-501G

119

78

100

32

114

导电轮

双轴承

2-4U01SB4-501G

130

84

125

32

114

导电轮

双轴承

2-5U01SB4-501G

157

103


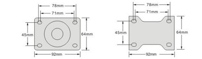
安装尺寸:

底板厚 4mm 安装孔径 8.5mm 可配刹车 金属边刹、金属双刹
4寸导电轮安装尺寸

不锈钢导电轮简介:

    不锈钢导电轮主要适用于计算机、电子厂、医疗器械厂等。比如一些电子厂为了不影响电子产品的导电性能,就要安装使用不锈钢导电轮,有些工厂为了保持机器的良好性能,就要安装防静电脚轮,用来吸附周围的释放的静电,因为任何物体的表面都具有导电性,都会产生一个静电磁场。电阻的系数越小,流经物体表面的电流越大,导电性能越好,相反,电阻越大,流经物体表面的电流越小,导电性能越差。


不锈钢导电轮刹车:

不锈钢双刹:既可以锁定轮子移动,又可以固定拨盘转动.
不锈钢边刹:安装在轮子轴套或轮子表面,用手或者脚操纵的装置.操作是踩下即可,轮子不能转动,但是可以转向.

    导电轮不锈钢双刹及边刹有可以分为很多种,常见的就有不锈钢尼龙双刹以及金属刹等等,但它们有一点是一样的,那就是固定轮子不会转动起到防止继续滑动的效果。所以导电轮不锈钢刹车的选择还的根据你具体的使用情况而定的,不同的环境对脚轮刹车的设计是不一样的,当然效果就会有所区别;


东莞凯信脚轮有限公司 版权所有
技术支持[东莞网站建设]