|
轮径 |
轮宽 |
承载 |
轮子材料 |
轴承 |
型号 |
安装高度 |
转动半径 |
|
(mm) |
(mm) |
(kg) |
活动 |
(mm) |
(mm) |
||
|
65 |
32 |
90 |
高科技聚氨酯 |
特尔灵 |
2-25U01SB4-401C |
91 |
56 |
|
双轴承 |
2-25U01SB4-401G |
||||||
|
轴管 |
2-25U01SB4-401A |
||||||
|
75 |
32 |
90 |
高科技聚氨酯 |
特尔灵 |
2-3U01SB4-401V |
108 |
75 |
|
单轴承 |
2-3U01SB4-401H-1 |
||||||
|
双轴承 |
2-3U01SB4-401G |
||||||
|
90 |
32 |
114 |
高科技聚氨酯 |
特尔灵 |
2-35U01SB4-401V |
119 |
78 |
|
单轴承 |
2-35U01SB4-401H-1 |
||||||
|
双轴承 |
2-35U01SB4-401G |
||||||
|
100 |
32 |
136 |
高科技聚氨酯 |
特尔灵 |
2-4U01SB4-401V |
130 |
84 |
|
单轴承 |
2-4U01SB4-401H-1 |
||||||
|
双轴承 |
2-4U01SB4-401G |
||||||
|
125 |
32 |
136 |
高科技聚氨酯 |
特尔灵 |
2-5U01SB4-401V |
157 |
103 |
|
单轴承 |
2-5U01SB4-401H-1 |
||||||
|
双轴承 |
2-5U01SB4-401G |
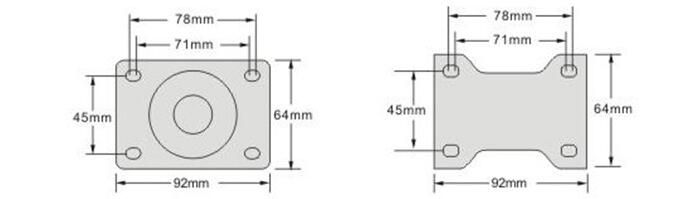
安装尺寸:
| 底板厚 | 4mm | 安装孔径 | 8.5mm | 可配刹车 | 金属边刹、金属双刹 |

1、商业、超市、工厂行业应用;
2、医药器械及机械设备行业应用;
3、仓储、物流运输行动应用;
4、家具行业应用;
304不锈钢特点:
1、具有良好的耐蚀性、耐热性,低温强度和机械特性;
2、冲压、弯曲等热加工性好,无热处理硬化现象;
3、具有加工性能好,韧性高,耐腐蚀性的特点;
4、适合用于食品的加工、储存和运输;
4寸304不锈钢pu轮无论是从外观美观还是防锈方面,都是一般碳钢脚轮所无法比拟的。 4寸304不锈钢pu轮其支架采用304不锈钢材料,比一般的碳钢支架档次要高了不少层次,其次304不锈钢材料有优质的防锈能力和韧性,因此一般要求比较高的客户,在选择pu万向脚轮与定向脚轮时,而4寸不锈钢pu轮是一个不错的选择。